S҇ĸߌӽ֘e^{(dio)ʹҲӣSBLC̎_h(hun)24hBm(x)\DB(ti)LĴСHͨ^LM{(dio)(ji)L(q)늙CĿͨϰٵװǧʹ{(dio)Lϵy(tng)^BĽ(jng)IÿҪM~Ŀ{(dio)MڬF(xin)еĻAόLϵy(tng)Mй(ji)ܸʹϵy(tng)ܸ(j)ҪMLLЧ(ji)sԴpM
1{(dio)Lϵy(tng)(ji)ܝ
ij;ƵƵͷסļ׃ÿղͬĕrg{(dio)ϵy(tng)LҪҲͬ˴ڹ(ji)ܸĿԺͿɏׂ}
1.1
{(dio)ϵy(tng)Ĺԭ
D1ʾijƵ{(dio)ʾD՚ĻLںLM{(dio)ϵy(tng)ڣ̎O{(dio)LTԿMLĴС^VĿ՚^m(x)ǰ՚ͨ^LCȥӝӝĿ՚ȥsӜأS(ji)(jng)ˮȻM՚ٵLܣM{(dio)
D 1ʽ{(dio)ϵy(tng)ʾ
Lһ_LCͬrLҕҪԓǿ{(dio)ġֻܲLɹ(ji)ʡLr՚
1.2LCDL֮ܺgPϵ
LCSݔ빦PcLݔQ͓PH֮gPϵ[2]
P = kQH1
ʽ k 鳣(sh)ʽ1f늙Cݔʺ(q)ӵLCL QP H LCDn ׃rLCݔL Ql(f)׃֮gPϵ
Q2/Q1=n2/n1 2
LCDٺͳLLCݔ P Dn Pϵ
P2/ P1=n2/n13 3
ʽ123ҊpLͨ^LCDٌF(xin)LCDٌؽܺ(ji)Ч@
2(ji)Lϵy(tng)
{(dio)(ji)ܸϵy(tng)Ҫ]LC\пƷʽʹÿ_LC\ЕrgMЧOӋrܿ]NrһĿɔ_׃
2.1LCĿƷ

D 2LC롢гʾ
ҪpLĕrЧķǸ׃LCDLCDٿͨ^׃늙CDٌF(xin)ཻ늄әCʹ׃lЧظ׃늙CDö_LCMɵLϵy(tng)@ 3_MD 2 ʾķ팍ʩL{(dio)(ji)3_늙CĿʑڵLݔ빦3_늙CУֻ3_ʩ׃l{(dio) 12_Թlʽ\D@ӼȿԜp׃lɱܺܺõL{(dio)(ji)ĿLϵy(tng)^£Сؓ£ҪC1_늙Clʽ\DԱCСLҪLӕrɰ·ʽ׃\РB(ti)1̖C\L3̖CͶ밴׃lʽ\D_LҪLȻ㣬2̖CͶ\3̖C׃lʽ\D׃3̖CD_ҪLҪLpٵ^O3_LCͬr\DȽ3̖CĹlʵֵLȻ^г12̖CȽ1_3̖C׃lʽ\DLȻ^3̖CDֱг3̖C
2.2]h(hun)LC׃lϵy(tng)Ę
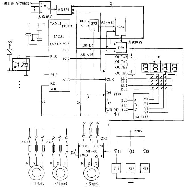
Ҫ]h(hun)ϵy(tng)ҪڳLڰLԱCLк㶨LyõLrfL(q)^˕rL(q)yõL͕rf˕rL(q)ҪӴL(q)zyL̖ͽoֵMб^Դ_L{(dio)(ji)]h(hun)LC׃lϵy(tng)ĿDD3ʾݔBm(x){(dio)ģM̖{(dio)(ji)׃lĹl֮⣬߀Ҫݔ_PԴ_123̖늙CĽcг

D 3LC׃lƽYʾ
2.3OӋ
ҪF(xin)LĿʹLֻ㶨@ÆƬC·D4ʾÔ(sh)a@ʾLĽoIPݔҲλ(jng)A/ DDQݔڹ܌F(xin)Bm(x)ƣҲ܌F(xin)ּBm(x)wͨ^ƌF(xin)

D 4늙C·
3YՓ
{(dio)Lϵy(tng)׃l]h(hun)ƺ\з(wn)(ji)Ч@mȻԭеϵy(tng)׃lֻ_LC׃lҪ׃lһHڎʮǧߣ⣬ÆƬC·DzҪԭϵy(tng)ٸ׃{(dio)ϵy(tng)Ͷ벢ϵy(tng)Ľ(jng)Ч@
һƪ
{(dio)ϵy(tng)Ĺ(ji)܃(yu)c
һƪ
{(dio)(ji)ܳɞ鹫(ji)c췽